Email Kita
Produk
Regulator Tekanan Airac Type
  • Regulator Tekanan Airac TypeRegulator Tekanan Airac Type

Regulator Tekanan Airac Type

Sampeyan bisa budhal kanggo tuku regulator tekanan tipe airtac Tipe saka pabrik kita lan kita bakal nawakake layanan sing paling apik sawise sale lan kiriman pas wektune.

Regulator tekanan gréhat Airtac Tipe nyedhiyakake kontrol tekanan sing stabil lan tepat kanggo sistem pneumatik. Regulator Pneumatic Olk Gr sing nganggo konstruksi lan pangaturan gampang, mesthekake kinerja sing dipercaya ing peralatan automasi, alat udara, kompresor, lan aplikasi industri umum. Kompatibel karo saringan, pelumas, lan unit FRL.

Regulator Produk Airtac Tipe Gress:

· Gauge Gauge Square nyimpen Spasi Instalasi (Opsional Putaran Pusingan).

· Desain ngunci nyegah penyesuaian tekanan ora sengaja sing disebabake dening pasukan njaba.

· Struktur Ngatur Tekanan sing imbang bisa njamin tekanan sing stabil, fluktuasi cilik, lan kinerja sing apik.

· Bisa diinstal ing panel utawa kanthi bracket sing dipasang opsional.

· Kejabi model standar, jinis tekanan sing kurang uga kasedhiya (tekanan sing bisa diatur maksimal: 0,4 MPA)


Simbol Penaturan Tekanan Gr Tekanan:

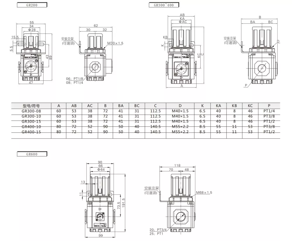
Pesenan kode

Gr200

-

08

Model:

 

Ukuran Port:

Regulator Tekanan Gr200 Gr200

 

06: PT: 1/8

Regulator Tekanan Gr300 Series

 

08: PT1 / 4

Regulator Tekanan Gr400 Series

 

10: pt3 / 8

Regulator Tekanan Gr600 Gr600

 

15: PT1 / 2

 

 

20: PT3 / 4

 

 

Model:


Model

Gr200-06

Gr200-08

GR300-08

GR300-10

GR400-15

GR400-10

GR400-15

GR600-20

GR600-25

Medium sing digunakake

Udhara

Ukuran Port

PT1 / 8

PT1 / 4

PT1 / 4

Pt3 / 8

PT1 / 2

Pt3 / 8

PT1 / 2

Pt3 / 4

Pt1

Range Tekanan Operasi

0,05-0.9MPA (20-130PSI)

Range meksa kerja

1.5MPA (215psi)

Tem.

-20--70 ℃

Bobot

160g

350g

720g

1700g


Cara nyetel regulator tekanan aestac type

Ana skala tekanan ing tutup penyesuaian. Nalika udhara diwenehake, tarik tombol lan mateni kanthi jam arah menyang tandha "+" kanggo nambah tekanan. Sawise nyetel, penet tombol mudhun kanggo ngunci.


Langkah 1: Tahan tombol lan narik.

Langkah 2: Pateni jam kanggo nambah tekanan.

Langkah 3: Pencet tombol tombol kanggo ngunci sawise imbuhan.


Wigati: Coba elinga panah sing nuduhake arah udara nalika nyambungake. Konfigurasi inlet sing dibalik bisa nyebabake bocor udara.




FAQ:

Apa tegese Gr?

Regulator udara Gr Series Gr Series.


Apa tegese GFC?

GFC = GFR + GF (Filulator Filulator + Lubricator)


Apa tegese GC?

GC = GF + GR + G + G + SCY (Filter + Regulator Pneumatic + Lubricator)



Hot Tags: Regulator Tekanan Airkac Tipe, China, Produsen, Pembekal, Pabrik
Kirim Pitakonan
Info kontak
Sugeng rawuh ing situs web kita! Kanggo pitakon babagan produk utawa dhaptar rega, tinggalake email sampeyan lan kita bakal hubungi sajrone 24 jam.
E-mail
cici@olkptc.com
Mobile
+86-13736765213
alamat
Jalan Zhengtai, Zona Perindustrian Xinguang, LIUSHI, Yueqing, Wenzhou, Zhejiang, China.
X
Kita nggunakake cookie kanggo menehi pengalaman browsing sing luwih apik, nganalisa lalu lintas situs lan nggawe konten pribadi. Kanthi nggunakake situs iki, sampeyan setuju kanggo nggunakake cookie. Kebijakan Privasi
nolak Nampa