Email Kita
Produk
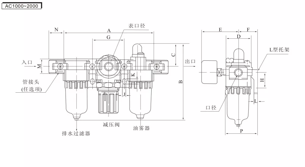
Unit FRL AC Tipe SMC
  • Unit FRL AC Tipe SMCUnit FRL AC Tipe SMC
  • Unit FRL AC Tipe SMCUnit FRL AC Tipe SMC
  • Unit FRL AC Tipe SMCUnit FRL AC Tipe SMC

Unit FRL AC Tipe SMC

Model:AC2000-02
Unit FRL AC Tipe SMC (Filter-Regulator-Lubricator) minangka komponen dhasar pneumatik sing nggabungake filtrasi sumber udara, pangurangan lan regulasi tekanan, lan perawatan pelumasan. Nyedhiyakake hawa kompres sing resik, stabil, lan lubricated kanggo sistem pneumatik, saéngga ndawakake umur komponen pneumatik lan nambah stabilitas sistem. Unit OLK AC Series FRL tumindak minangka "wali" penting sistem pneumatik modern.
  • Brand:

    OLK
  • Type:

    SMC TYPE AC SERIES
  • Port size:

    PT1/8 ; PT1/4 ; PT3/8 ; PT1/2 ; PT3/4 ; PT1
  • Filter Material:

    Copper filter

SMC Tipe AC FRL Unit Fitur & Desain:

Imbuhan Self-Locking: Fitur mekanisme self-locking tekanan. Sawise tekanan sing dikarepake disetel, mung pencet tombol mudhun kanggo ngunci. Iki nyegah tekanan sing disetel saka owah-owahan amarga getaran eksternal utawa kontak sing ora disengaja.

Saluran Serbaguna: Kasedhiya ing pilihan Saluran Manual lan Saluran Otomatis sing cocog karo kahanan operasi sing beda. Mangkuk transparan ngidini gampang ngawasi tingkat banyu.

Gauge Presisi Dhuwur: Dilengkapi pengukur tekanan presisi dhuwur kanggo wacan sing jelas, akurat lan ngawasi tekanan sistem kanthi nyata.

Kabar Unit FRL AC Tipe SMC:

Priksa Arah Aliran: Mangga verifikasi arah aliran udara sadurunge instalasi! Ana tandha arah aliran (Panah utawa IN / OUT) ing ndhuwur awak tutup. Tindakake pratondho iki kanggo instalasi. Nginstal ing mbalikke bakal nimbulaké malfunction utawa bocor.

Pangopènan Reguler: Priksa level banyu ing mangkuk kanthi rutin lan saluran yen nggunakake jinis saluran manual. Isi maneh lenga lubricator nalika kurang (ISO VG32 Turbine Oil dianjurake).

Simbol Unit FRL AC Tipe SMC:

Kode pesenan

AC

2000

-

02

-

D

Kode seri

Ukuran cangkang

 

Ukuran Port:

 

Metode Drain

AC: SMC Tipe AC FRL Unit

1000

 

M5: M5

 

Kosong: Drain Manual

 

2000

 

02:1/4

 

A: Drain Tekanan Diferensial

 

3000

 

03:3/8

 

D: Ngirit otomatis

 

4000

 

04:1/2

 

 

 

5000

 

06:3/4

 

 

 

 

 

10:1

 

 

 

Tekanan bukti

1.5 Mpa(15.3kgf/cm³)

Max. Tekanan kerja

1.0Mpa(10.2kgf/cm³)

Lingkungan lan suhu cairan

5-60 ℃

Aperture Filter

5μm

lenga

ISOVG32

Bahan cangkir

PC

Tudung cangkir

AC1000-2000 (TANPA) AC3000-5000 (KARO)

Range pengatur tekanan

AC1000:0.05-0.7 Mpa (0.51-7.1 kgf/cm³)

AC2000-5000:0,05-0,085 Mpa(0,51-8,7 kgf/cm³)

Pengukur tekanan seri orifice


2000 seri

3000 seri

4000 seri

5000 seri

AW

1/8

1/4

AC

BR

1/4

-

BFC

-

Langkah-langkah instalasi kanggo Unit FRL AC Tipe SMC:

Pisanan, nginstal joints karo tape PTFE kebungkus lan gauge meksa

2. Tindakake arah panah: sisih kiwa minangka intake udara, lan sisih tengen minangka stopkontak

3. Sambungake tabung udara menyang fitting masing-masing ing ujung loro

4. Angkat nut pangaturan tekanan munggah lan muter kanggo ngatur tekanan; ngowahi arah jarum jam mundhak aliran udara, nalika ngowahi counterclockwise nyuda aliran udara

5. Setel menyang tekanan udara sing dipengini, banjur pencet nut pangaturan mudhun kanggo ngunci udara

6. Yen bahan bakar dibutuhake, ngeculake sekrup ing oiler

7. Tuangake lenga pangopènan pneumatik utawa lenga turbin menyang inlet lenga (pastikan lenga pneumatik ora ngluwihi garis level lenga sing dituduhake ing cangkir)

8. Sawise ngisi lenga pneumatik, ngencengi nut karo kunci Allen

9. Nyetel pasokan lenga kanthi rotasi: searah jarum jam nambah aliran lenga, counterclockwise nyuda


Tipe Saluran

Prinsip Kerja

Lingkungan Aplikasi

Kaluwihan

Kakurangan

Drain Manual

Banyu sing akumulasi ing mangkuk panyaring dibuwang kanthi muter kanthi manual utawa mencet katup saluran kanthi interval biasa. Apa drainase lengkap gumantung ing operasi manual.

Sistem utawa aplikasi sing prasaja kanthi syarat saluran banyu sing jarang.

Struktur prasaja, tingkat kegagalan sing sithik, ora ana pangopènan tambahan sing dibutuhake.

Gumantung ing operasi manual; gampang lali draining. Akumulasi banyu sing berlebihan bisa mengaruhi kinerja filtrasi.

Drain Tekanan Diferensial

Migunakake prabédan tekanan sadurunge lan sawise saringan. Nalika akumulasi kondensat mundhak lan diferensial tekanan tekan nilai prasetel, saluran mbukak kanthi otomatis. Tutup maneh yen diferensial tekanan bali menyang normal. Beroperasi mung nalika ana tekanan lan aliran udara.

Lingkungan kanthi pasokan udara sing stabil lan kahanan operasi sing prasaja, ing ngendi operasi manual ora trep.

Ora ana sumber daya sing dibutuhake. Drainase otomatis, luwih dipercaya tinimbang drainase manual.

Mbutuhake tekanan udara sing stabil. Kinerja saluran diwatesi sajrone mateni dawa utawa nalika ora ana beda tekanan.

Saluran otomatis

Nggunakake mekanisme float utawa timer. Nalika kondensat tekan tingkat tartamtu, saluran mbukak kanthi otomatis

Jalur produksi otomatis lan sistem kanthi syarat kualitas udara kompres sing dhuwur.

Kinerja saluran banyu sing paling pas lan stabil.

Biaya sing relatif luwih dhuwur.


AFQ:

Kenapa disebut AC FRL?

AF (Filter Udara) + AR (Pressure Regulating Valve) + AL (Oil Mist Lubricator) = AC Triple Unit


Cara sambungan sing disaranake

Kompresor udara -- Prosesor sumber udara -- Komponen kontrol -- Aktuator


Apa sing kudu ditindakake yen tutup pelindung cangkir plastik asring gampang pecah?

Sawetara pelanggan kerep nemokake cangkir plastik retak ora amarga tekanan nanging amarga materi. Cangkir plastik ora tahan kanggo lingkungan tartamtu, nggawe cangkir logam minangka alternatif sing luwih apik ing kahanan tartamtu


Carane ngluwihi gesang layanan saka silinder tutup solenoid?

Nggunakake filter bisa mbusak Kelembapan lan impurities saka udhara, èfèktif nyuda karusakan gesekan kanggo piston lan sealing rings. A lubricator bisa digunakake kanggo nambah lenga turbin, kang banjur digawa dening udhara kanggo lubricate piston silinder lan sealing rings. Regulator tekanan bisa nyetel tekanan udara intake, luwih ningkatake efisiensi kerja


Bahan apa sing digawe saka unsur filter kanggo OLK?

OLK nggunakake unsur panyaring tembaga kanthi akurasi filtrasi 25μm, dene unsur panyaring serat biasa duwe akurasi mung 5μm. Unsur panyaring kanthi tliti kanthi efektif bisa mbusak impurities lan kelembapan saka gas, mesthekake hawa output garing lan bebas saka rereged.


Hot Tags: SMC Tipe AC FRL Unit, China, Produsen, Supplier, Pabrik
Kirim Pitakonan
Info kontak
Sugeng rawuh ing situs web kita! Kanggo pitakon babagan produk utawa dhaptar rega, tinggalake email sampeyan lan kita bakal hubungi sajrone 24 jam.
E-mail
cici@olkptc.com
Mobile
+86-13736765213
alamat
Jalan Zhengtai, Zona Perindustrian Xinguang, LIUSHI, Yueqing, Wenzhou, Zhejiang, China.
X
Kita nggunakake cookie kanggo menehi pengalaman browsing sing luwih apik, nganalisa lalu lintas situs lan nggawe konten pribadi. Kanthi nggunakake situs iki, sampeyan setuju kanggo nggunakake cookie. Kebijakan Privasi
nolak Nampa