Email Kita
Produk
Katup Toggle TAC Pneumatika
  • Katup Toggle TAC PneumatikaKatup Toggle TAC Pneumatika

Katup Toggle TAC Pneumatika

Minangka Profesional Pabrik, Olk seneng nyedhiyani katup pada pneumatik. Lan Olk bakal nawakake layanan sing paling apik sawise sale lan kiriman wektu.

Katup pilihan tokumen TAC (uga dikenal minangka katup ngalih) minangka komponen ngalih presisi khusus dirancang kanggo sistem pneumatik lan kontrol cairan. Kanthi struktur kontrol jinis pilihan sing unik, entuk cepet ngalih lan kontrol jalur cairan kanthi cepet.

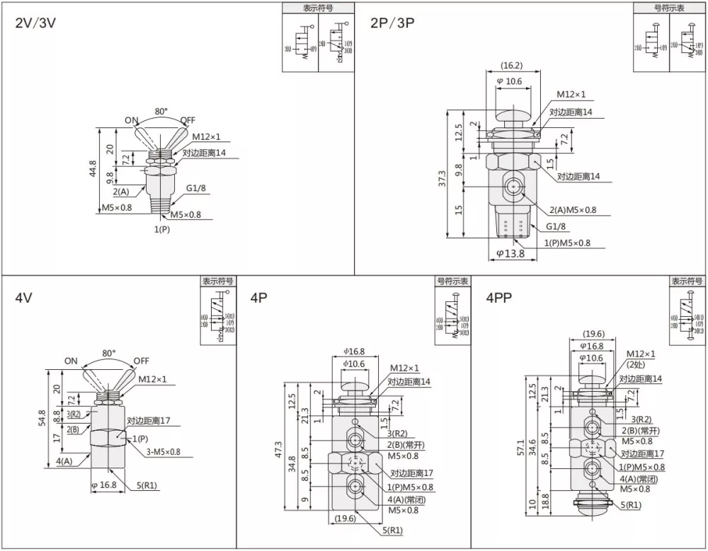
Seri TAC TACKLle katup 2 cara 2 cara, 2 posisi 3 cara lan 2 posisi 5 cara bisa milih macem-macem jinis lever lan rong jinis benang: M5, G1 / 8.

Skenario Aplikasi

Peralatan otomatisutif, pangolahan mekanik, pangolahan bahan, pangolahan bahan, energi lan pertambangan, industri panganan lan omben-omben, peralatan medis, lsp.

Fitur Produk

Ukuran kasebut sithik, mbutuhake ruang instalasi sing sithik, lan intuisi kanggo operasi kanthi manual, sing cocog kanggo skenario sing mbutuhake pamindhahan sing asring dibutuhake.

Tac Toggle Valve Simbol lan Garis Garis

Kode sing odering

Tac

2

__

2

P

 

 

 

 

 

Seri Tac Toggle katup

 

 

2: 2 cara 2 cara (M5)

P: Tipe Tombol Push-Narik

 

 

 

3: 2 posisi 3 cara (M5)

V: Tipe LEVER Tangan

 

 

 

4: 2 Powition 5 Cara (M5)

PP: Tombol tikel kaping pindho

 

 

 

31: 2 Posisi 3 Cara (G1 / 8)

 

 

 

 

41: 2 Powition 5 Cara (G1 / 8)

 

 

Model

Ukuran Port

 

Nomer
saka posisi

Efektif  
area sectional

Range Tekanan

Cairan kerja

Ambien
Suhu

 

Tac-2v

Inlet = outlet = m5   

2 posisi 2 cara

1.9mm²

0.05 ~ 0.9ppa

Udhara

0 ~ 60

Tac-2P

Inlet = outlet = m5   

2 posisi 2 cara

1.9mm²

Tac-3v

Inlet = outlet = m5   

2 posisi 3 cara

1.9mm²

Tac-3P

Inlet = outlet = m5   

2 posisi 3 cara

1.9mm²

Tac-4V

Inlet = outlet = m5   

2 posisi 5 cara

1.9mm²

Tac-4P

Inlet = outlet = m5   

2 posisi 5 cara

1.9mm²

4pp

G1 / 8

 

2 posisi 5 cara

4.5mm²

Tac2-31v

Inlet = outlet = exhaust = g1 / 8   

2 posisi 3 cara

4.5mm²

Tac2-31p

Inlet = outlet = exhaust = g1 / 8   

2 posisi 3 cara

4.5mm²

Tac2-41V

Inlet = outlet = g1 / 8 exhaust = m5

2 posisi 5 cara

4.5mm²

Tac2-41p

Inlet = outlet = g1 / 8 exhaust = m5

2 posisi 5 cara

4.5mm²

Tac2-41p

Inlet = outlet = g1 / 8 exhaust = m5

2 posisi 5 cara

4.5mm²

FAQ:

Apa bedane katup togal lan katup mesin?

Bisa mbedakake katup pilihan lan katup mesin kanthi jinis kontrol: katup pilihan yaiku jinis mekanik yaiku jinis mekanik utawa jinis roller

 

Apa bedane katup togle lan katup liyane?

Kontrol Presis: Valves Toggle entuk peraturan aliran sing apik liwat inti katup conis, sing cocog kanggo kontrol plancongan cilik, dene valves werni luwih cocog kanggo operasi mbukak lan nutup.

Hot Tags: Tac Pneumatik katup, China, Produsen, Supplier, Pabrik
Kirim Pitakonan
Info kontak
Sugeng rawuh ing situs web kita! Kanggo pitakon babagan produk utawa dhaptar rega, tinggalake email sampeyan lan kita bakal hubungi sajrone 24 jam.
E-mail
cici@olkptc.com
Mobile
+86-13736765213
alamat
Jalan Zhengtai, Zona Perindustrian Xinguang, LIUSHI, Yueqing, Wenzhou, Zhejiang, China.
X
Kita nggunakake cookie kanggo menehi pengalaman browsing sing luwih apik, nganalisa lalu lintas situs lan nggawe konten pribadi. Kanthi nggunakake situs iki, sampeyan setuju kanggo nggunakake cookie. Kebijakan Privasi
nolak Nampa